W-2025SUS
Cat:Sus wiel transportband
Type D*w*d*b Schacht Framegrootte h*w1*w2*w3*t ...
Geavanceerde structuur, hoogwaardige prestaties, gemakkelijk te gebruiken, hoge betrouwbaarheid en duurzaamheid.
De metalen vloeiende wieltransporteur is een vloeiende wielsamenstelling van metalen materiaal van vloeiende staaf, de wielen zijn over het algemeen gemaakt van stempelen en het snijden van twee verwerkingsmethoden, het materiaal is staal gegalvaniseerd, roestvrij staal, chroomplaten en andere opties. Framemateriaal is in het algemeen verdeeld in: staal gegalvaniseerd, stalen spray, aluminium, roestvrij staal.

Type D*w*d*b Schacht Framegrootte h*w1*w2*w3*t ...
| Type | D*w*d*b | Schacht | Framegrootte h*w1*w2*w3*t | Hoogte H | Lengte L | Wielhoed P | Laden met één wiel (kg) | Frametype |
| W-2025SUS | 20x25x6.1x27 | M6X35L | 25x30x9x39x1.5 | 27 | 1000 · 1500 · 2000 | 25 · 30 · 35 | 40 | A |

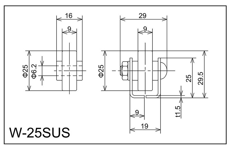
Type D*w*d*b Schacht Framegrootte h*w1*w2*w3*t ...
| Type | D*w*d*b | Schacht | Framegrootte h*w1*w2*w3*t | Hoogte H | Lengte L | Wielhoed P | Laden met één wiel (kg) | Frametype |
| W-25SUS | 25x9x6.2x16 | M6X25L | 25x19x9x29x1.5 | 29.5 | 1000 · 1500 · 2000 | 30 · 35 | 30 | A |

Type D*w*d*b Schacht Framegrootte h*w1*w2*w3*t ...
| Type | D*w*d*b | Schacht | Framegrootte h*w1*w2*w3*t | Hoogte H | Lengte L | Wielhoed P | Laden met één wiel (kg) | Frametype |
| W-2523SUS | 25x23x8.2x25 | M8X35L | 25x28x9x40x1.5 | 29.5 | 1000 · 1500 · 2000 | 30 · 35 | 50 | A |

Type D*w*d*b Schacht Framegrootte h*w1*w2*w3*t ...
| Type | D*w*d*b | Schacht | Framegrootte h*w1*w2*w3*t | Hoogte H | Lengte L | Wielhoed P | Laden met één wiel (kg) | Frametype |
| HG-W36SUS | 36x9x6.2x25 | M6X38L | 45x29x10x42x2.0 | 51 | 1800 · 2400 · 3000 | 50 · 75 · 100 · 150 | 40 | A |

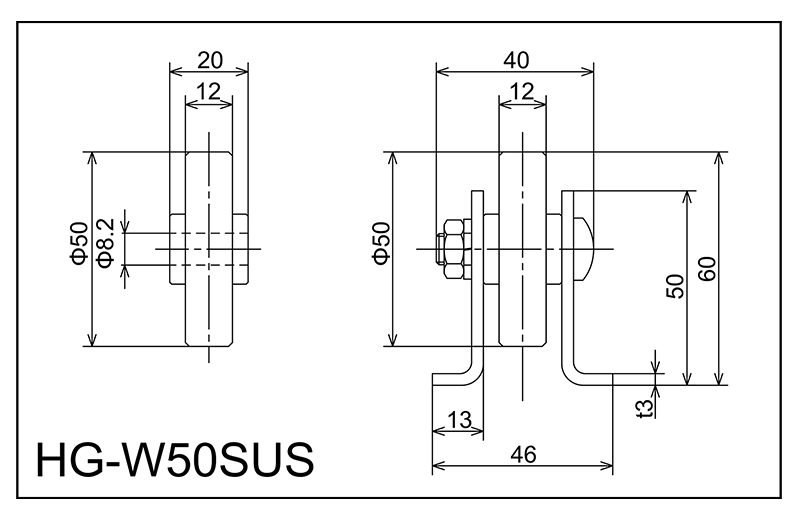
Type D*w*d*b Schacht Framegrootte h*w1*w2*w3*t ...
| Type | D*w*d*b | Schacht | Framegrootte h*w1*w2*w3*t | Hoogte H | Lengte L | Wielhoed P | Laden met één wiel (kg) | Frametype |
| W-36CS-SUS | 36x9x8.2x28 | M8X40L | 42x60x32x45x2.0 | 47 | 1800 · 2400 · 3000 | 50.75 · 100 · 150 | 40 | J |

Type D*w*d*b Schacht Framegrootte h*w1*w2*w3*t ...
| Type | D*w*d*b | Schacht | Framegrootte h*w1*w2*w3*t | Hoogte H | Lengte L | Wielhoed P | Laden met één wiel (kg) | Frametype |
| W-36BW-SUS | 36x9x8.2x14 | M8X55L | 46x60x33 × 71 1.5 2.0 | 52 | 1800 · 2400 · 3000 | 50 · 75 · 100 · 150 | 40 | K |

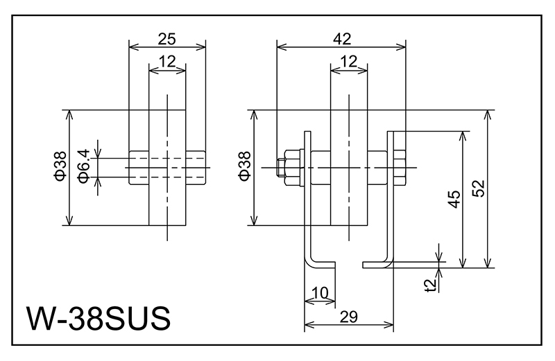
Type D*w*d*b Schacht Framegrootte h*w1*w2*w3*t ...
| Type | D*w*d*b | Schacht | Framegrootte h*w1*w2*w3*t | Hoogte H | Lengte L | Wielhoed P | Laden met één wiel (kg) | Frametype |
| W-38SUS | 38x12x6.4x25 | M6X38L | 45x29x10x42x2.0 | 52 | 1800 · 2400 · 3000 | 50 · 75 · 100 · 150 | 20 | A |

Type D*w*d*b Schacht Framegrootte h*w1*w2*w3*t ...
| Type | D*w*d*b | Schacht | Framegrootte h*w1*w2*w3*t | Hoogte H | Lengte L | Wielhoed P | Laden met één wiel (kg) | Frametype |
| HG-W50SUS | 50x12x8.2x20 | M8X35L | 50x46x13x40x3.0 | 60 | 1800 · 2400 · 3000 | 75 · 100 · 150 · 200 | 80 | C |

Type D*w*d*b Laden (kg) W-38TS 38x12x6.5x25 ...
| Type | D*w*d*b | Laden (kg) |
| W-38TS | 38x12x6.5x25 | 20 |
| W-40SL | 40x20x6.5x26 | 20 |
| W-50TS | 49.2x15.5x8x25 | 40 |
| W-3850D | 38.1x50x12.2x63 | 130 |
| W-4850D | 48.6x50x12.2x63 | 200 |
| W-5750P | 57x50x12.2x55 | 60 |
| W-5750D | 57.2x50x12.2x63 | 200 |
| W-6050D | 60.5x50x12.2x633330 | 200 |

Type D*w*d*b Laden (kg) W-1225BS 12x25x4.1x2...
| Type | D*w*d*b | Laden (kg) |
| W-1225BS | 12x25x4.1x27 | 35 |
| W-2015BS | 20x15x6.1x17 | 30 |
| W-2025BS | 20x25x6.2x27 | 40 |
| W-2050BS | 20x50x6.2x52 | 50 |
| W-20100BS | 20x100x6.2x102 | 50 |
| W-25BS-13 | 25x9x6.2x13 | 30 |
| W-25BS | 25x9x6.2x16 | 30 |
| W-2523BS | 25x23x8.2x25 | 50 |
| W-30BS | 30x50x10.5x55 | 160 |
| W-32BS | 32x25x8.2x28 | 90 |
| W-36BW-6 | 36x9x6.2x14 | 40 |
| W-36BS | 36x9x6.2x25 | 40 |
| W-36BW | 36x9x8.2x14 | 40 |
| W-36CS | 36x9x8.2x28 | 40 |
| W-50BS | 50x14.5x8.2x20 | 80 |
| W-50DS-8 | 50x14.5x8.2x32 | 100 |
| W-50DS-10 | 50x14.5x10.2x20 | 100 |
| W-50DS-12 | 50x14.5x12.2x20 | 100 |
| HW-76DS | 76.3x30x30x43333330 | 1000 |

Type D*w*d*b Laden (kg) W-2015SUS 20x15x6.1x...
| Type | D*w*d*b | Laden (kg) |
| W-2015SUS | 20x15x6.1x17 | 30 |
| W-2025SUS | 20x25x6.1x27 | 40 |
| W-25SUS | 25x9x6.2x16 | 30 |
| W-2523SUS | 25x23x8.2x25 | 50 |
| W-36BW-SUS | 36x9x8.2x14 | 40 |
| W-36CS-SUS | 36x9x8.2x28 | 40 |
| HG-W36SUS | 36x9x6.2x25 | 40 |
| HG-W50SUS | 50x12x8.2x20 | 80 |

Type D*w*d*b Laden (kg) W-2015CR 20x15x6.2x1...
| Type | D*w*d*b | Laden (kg) |
| W-2015CR | 20x15x6.2x17 | 30 |
| W-2025CR | 20x25x6.2x27 | 40 |
| W-25CR | 25x9x6.2x16 | 30 |
| W-2523CR | 25x23x8.2x25 | 50 |
| W-32CR | 32x25x8.2x28 | 90 |
| W-36BW-CR | 36x9x8.2x14 | 40 |
| W-36CS-CR | 36x9x8.2x28 | 40 |
| W-36BS-CR | 36x9x6.2x25 | 40 |
| W-36BS-3R | 36x9x6.2x25 | 40 |
| W-3850D-CR | 38.1x50x12.2x63 | 130 |
| W-50DS-CR | 50x14.5x12.2x20 | 100 |
| W-50BS-CR | 50x14.5x8.2x20 | 80 |
Waarom onderhoud van rollenbanen een directe invloed heeft op de levensduur van het systeem ...
Lees meerWat maakt een rollenbaan echt zwaar? Een heavy-duty rollenbaan wordt niet gedefinieerd door m...
Lees meerWat zijn rollenbanen en waarom is het type belangrijk? Rollenbanen zijn materiaalbeh...
Lees meerWaarom rollenbanen de ruggengraat van materiaaltransport blijven Rollenbanen verbete...
Lees meerVakmanschap naar de toekomst brengen.
No.60, Zhenhu North Road, Hudai Town, Binhu District, Wuxi 214100, China