HJR-2015B
Cat:Harsroller transportband
Breedte van Roller W (mm) 100 200 300 400 ...
Geavanceerde structuur, hoogwaardige prestaties, gemakkelijk te gebruiken, hoge betrouwbaarheid en duurzaamheid.
Harsrollertransporteurs hebben meestal PVC -rollen met een geïntegreerde harslager en as. De frame-opties omvatten poedercoat staal, roestvrij staal of aluminium. Dit transporttype is geschikt voor lichte load-artikelen en is ook van toepassing in voedsel-, farmaceutische en chemische industrie.

Breedte van Roller W (mm) 100 200 300 400 ...
| Breedte van Roller W (mm) | 100 | 200 | 300 | 400 | 500 | |
| Breedte van transportband W 45 (mm) | 145 | 245 | 345 | 445 | 545 | |
| Laden van roller (kg) | 11.5 | 10.7 | 10 | 9.2 | 7.0 | |
| 2000l gewicht van transportbekleding (kg) | 25p | 4.3 | 6.4 | 8.5 | 10.7 | 12.8 |
| 30p | 3.8 | 5.7 | 7.5 | 9.4 | 11.3 | |
| Gewicht van rol (G) | 33 | 55 | 78 | 100 | 12.2 | |

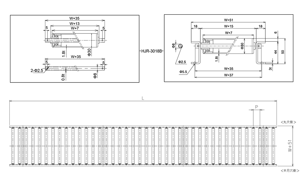
Breedte van Roller W (mm) 100 200 300 400 ...
| Breedte van Roller W (mm) | 100 | 200 | 300 | 400 | |
| Breedte van transportband W 45 (mm) | 145 | 245 | 345 | 445 | |
| Laden van roller (kg) | 13.5 | 12.6 | 12.5 | 11.8 | |
| 2000l gewicht van transportbekleding (kg) | 30p | 6.5 | 8.5 | 11 | 19 |
| 40P | 5 | 7.5 | 10 | 12.3 | |
| Gewicht van rol (G) | 50.5 | 75 | 115 | 145 | |

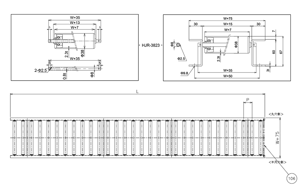
Breedte van Roller W (mm) 100 200 300 400 ...
| Breedte van Roller W (mm) | 100 | 200 | 300 | 400 | 500 | |
| Breedte van transportband W 51 (mm) | 151 | 251 | 351 | 451 | 551 | |
| Laden van roller (kg) | 16.5 | 15.7 | 15 | 14.2 | 13.5 | |
| 1500L gewicht van transportband (kg) | 40P | 7.2 | 10.8 | 14.5 | 18 | 21.7 |
| 50p | 6.2 | 9.2 | 12.2 | 15.1 | 18.2 | |
| Gewicht van rol (G) | 64 | 106 | 149 | 191 | 235 | |

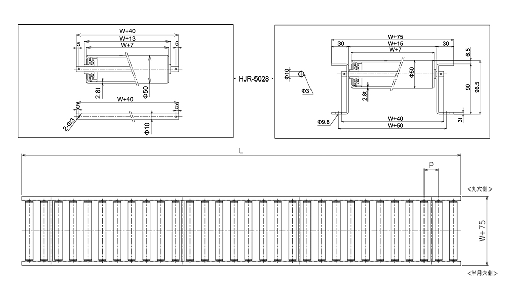
Breedte van Roller W (mm) 100 200 300 400 ...
| Breedte van Roller W (mm) | 100 | 200 | 300 | 400 | 500 | |
| Breedte van transportband W 75 (mm) | 175 | 275 | 375 | 475 | 575 | |
| Laden van roller (kg) | 21.5 | 20.8 | 20.1 | 19.5 | 18.6 | |
| 3000L gewicht van transportband (kg) | 50p | 11.5 | 15.2 | 18.8 | 22.5 | 26.2 |
| 75p | 9.7 | 12.3 | 14.8 | 17.5 | 20.0 | |
| Gewicht van rol (G) | 91 | 145 | 199 | 253 | 307 | |

Breedte van Roller W (mm) 100 200 300 400 ...
| Breedte van Roller W (mm) | 100 | 200 | 300 | 400 | 500 | 600 | |
| Breedte van transportband W 75 (mm) | 175 | 275 | 375 | 475 | 575 | 675 | |
| Laden van roller (kg) | 32 | 31 | 30 | 29.5 | 28.5 | 27.7 | |
| 3000L gewicht van transportband (kg) | 75p | 13.5 | 17.7 | 22.0 | 26.1 | 30.5 | 34.1 |
| 100p | 12.1 | 15.3 | 18.6 | 21.9 | 25.2 | 27.8 | |
| Gewicht van rol (G) | 148 | 243 | 339 | 435 | 530 | 626 | |

Breedte van Roller W (mm) 100 200 300 400 ...
| Breedte van Roller W (mm) | 100 | 200 | 300 | 400 | 500 | 600 | |
| Breedte van transportband W 75 (mm) | 175 | 275 | 375 | 475 | 575 | 675 | |
| Laden van roller (kg) | 35 | 34 | 33 | 30 | 29 | 28.5 | |
| 3000L gewicht van transportband (kg) | 75p | 14.4 | 19.3 | 24.2 | 29.0 | 34.0 | 38.2 |
| 100p | 12.7 | 16.5 | 20.3 | 23.9 | 27.8 | 30.9 | |
| Gewicht van rol (G) | 172 | 283 | 395 | 506 | 617 | 728 | |
Waarom onderhoud van rollenbanen een directe invloed heeft op de levensduur van het systeem ...
Lees meerWat maakt een rollenbaan echt zwaar? Een heavy-duty rollenbaan wordt niet gedefinieerd door m...
Lees meerWat zijn rollenbanen en waarom is het type belangrijk? Rollenbanen zijn materiaalbeh...
Lees meerWaarom rollenbanen de ruggengraat van materiaaltransport blijven Rollenbanen verbete...
Lees meerVakmanschap naar de toekomst brengen.
No.60, Zhenhu North Road, Hudai Town, Binhu District, Wuxi 214100, China







