Roller met enkele rijwielstation
Cat:Waaieraandrijving
Type Rolgrootte RolbreeDte Roller materiaal Handel...
Een aangedreven rol is een type Idler-rol dat wordt gebruikt in aangedreven roltransporteurs, meestal uitgerust met aandrijfwielen zoals tandwielen, multi-wig richtjes, timingpoelies, velriemels of O-grove rollers. Gedreven rollen met tandwielen bieden een hoog laadvermogen, met tandwielen die meestal van staal zijn gemaakt en beschikbaar in verschillende specificaties op basis van belastingvereisten. Gedreven rollers met multi-wigdelpoelies, timingpoelies en V-riempoelies zijn ontworpen voor riem-aangedreven systemen en hebben lichtere belastingscapaciteiten. O-grove rollers worden ook gebruikt voor lichte roltransports, met belastingscapaciteiten lager dan riem-aangedreven rollen.

Type Rolgrootte RolbreeDte Roller materiaal Handel...
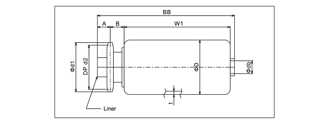
| Type | Rolgrootte | RolbreeDte | Roller materiaal | Handelswijze | Schachtdiameter | Voeringmaat | Tandwiel | d | D2 | A | B | W1 | BB |
| KR-384010S | 38.1 × 2.3 | 100 ~ 800 | STKM | 6001zz · 6201Z | 12.0 | 18 × 12.2 × 26 | #40 × 10ts | 46 | 41.1 | 12 | 14 | W-1 | W 28 |
| KR-424010S | 42.7 × 2.3 | 100 ~ 800 | STKM | 6001zz · 6201Z | 12.0 | 18x12.2 × 26 | #40 × 10ts | 46 | 41.1 | 12 | 14 | W | W 28 |
| KR-484010S | 48,6 × 3.5 | 100 ~ 800 | SGP40A | 6001zz · 6201Z | 12.0 | 18 × 12.2 × 26 | #40 × 10ts | 46 | 41.1 | 12 | 11 | W 5 | W 28 |
| KR-504010s | 50,8 × 1.6 | 100 ~ 800 | STKM | 6001zz · 6201Z | 12.0 | 18 × 12.2 × 26 | #40 × 10ts | 46 | 41.1 | 12 | 13 | W-1 | W 28 |
| KR-574010S | 57.1 × 2.1 | 100 ~ 1000 | STKM | 6001zz · 6201Z | 12.0 | 18 × 12.2 × 26 | #40 × 10ts | 46 | 41.1 | 12 | 13 | W | W 28 |
| KR-604010S | 60,5 × 2.3 | 100 ~ 1000 | STKM | 6001zz · 6201Z | 12.0 | 18 × 12.2 × 26 | #40 × 10ts | 46 | 41.1 | 12 | 13 | W | W 28 |
| KR-605011s | 60,5 × 3. | 100 ~ 1000 | SGP50A | 6002zz | 15.0 | 21 × 15.2 × 41,5 · 21 × 15,2 × 12 | #50 × 11TS | 63 | 56.35 | 20 | 18 | W 3 | W 48 |
| KR-765011s | 76.3 × 4.2 | 100 ~ 1000 | SGP65A | 6002zz | 15.0 | 21 × 15.2 × 41,5 · 21 × 152 × 12 | #50 × 11TS | 63 | 56.35 | 20 | 18 | W 2 | W 48 |
| KR-605013S | 60,5 × 3.8 | 100 ~ 1000 | SGP50A | 6004zz | 20.0 | 29 × 20.2 × 38,5 · 29 × 20.2 × 15 | #50 × 13TS | 73 | 66.34 | 20 | 18 | W 1 | W 48 |
| KR-765013S | 76.3 × 4.2 | 100 ~ 1000 | SGP65A | 6004zz | 20.0 | 29x20.2x38.5 · 29 × 20.2 × 15 | #50 × 13TS | 73 | 66.34 | 20 | 18 | W 2 | W 48 |
| KR-895013S | 89.1 × 4.2 | 100 ~ 1000 | SGP80A | 6004zz | 20.0 | 29 × 20.2x38.5 · 29 × 202x15 | #50 × 13TS | 73 | 66.34 | 20 | 18 | W | W 48 |
| KR-1146014S | 114.3 × 4.5 | 300 ~ 2000 | SGP100A | 6205zz | 25.0 | 35 × 26 × 19 · 35 × 26 × 21 | #60 × 14TS | 93 | 85.61 | 20 | 23 | W | W 58 |
| KR-1406016S | 139,8 × 4.5 | 300 ~ 2000 | SGP125A | 6206zz | 30.0 | 38 × 31.1 × 19 · 38 × 31.1 × 21 | #60 × 16TS | 107 | 97.65 | 20 | 23 | W | W 58 |

Type Rolgrootte Rolbreedte Roller materiaal Handel...
| Type | Rolgrootte | Rolbreedte | Roller materiaal | Handelswijze | Schachtdiameter | Voeringmaat | Tandwiel | D1 | D2 | A | B | C | W1 | BB |
| KR-384010SW | 38.1 × 2.3 | 100 ~ 800 | STKM | 6001zz · 6201Z | 12.0 | 18 × 12.2 × 53 | #40 × 10TSW | 46 | 41.1 | 12 | 23 | 18 | W-1 | W 58 |
| KR-424010SW | 42.7 × 2.3 | 100 ~ 800 | STKM | 6001zz · 6201Z | 12.0 | 18 × 12.2 × 53 | #40 × 10TSW | 46 | 41.1 | 12 | 23 | 18 | W | W 58 |
| KR-484010SW | 48,6 × 3.5 | 100 ~ 800 | SGP40A | 6001zz · 6201Z | 12.0 | 18 × 12.2 × 53 | #40 × 10TSW | 46 | 41.1 | 12 | 23 | 15 | W 5 | W 58 |
| KR-504010SW | 50,8 × 1.6 | 100 ~ 800 | STKM | 6001zz · 6201Z | 12.0 | 18 × 12.2 × 53 | #40x10tsw | 46 | 41.1 | 12 | 23 | 18 | W-1 | W 58 |
| KR-574010SW | 57.1 × 2.1 | 100 ~ 1000 | STKM | 6001zz · 6201Z | 12.0 | 18 × 12.2 × 53 | #40 × 10TSW | 46 | 41.1 | 12 | 23 | 18 | W | W 58 |
| KR-604010SW | 60,5 × 2.3 | 100 ~ 1000 | STKM | 6001zz · 6201Z | 12.0 | 18 × 12.2 × 53 | #40 × 10TSW | 46 | 41.1 | 12 | 23 | 18 | W | W 58 |
| KR-605011SW | 60,5 × 3.8 | 100 ~ 1000 | SGP50A | 6002zz | 15.0 | 21x15.2 × 66.5 · 21 × 15.2x12 | #50 × 11TSW | 63 | 56.35 | 20 | 25 | 18 | W 3 | W 7 |
| KR-765011SW | 76.3 × 4.2 | 100 ~ 1000 | SGP65A | 6002zz | 15.0 | 21 × 15.2 × 66.5 · 21 × 15.2 × 12 | #50 × 11TSW | 63 | 56.35 | 20 | 25 | 18 | W 2 | W 73 |
| KR-605013SW | 60,5 × 3.8 | 100 ~ 1000 | SGP50A | 6004zz | 20.0 | 29 × 20.2 × 63.5 · 29 × 20.2 × 15 | #50 × 13TSW | 73 | 66.34 | 20 | 25 | 18 | W 1 | W 73 |
| KR-765013SW | 76.3 × 4.2 | 100 ~ 1000 | SGP65A | 600422 | 20.0 | 29 × 20.2 × 63.5 · 29 × 20.2x15 | #50 × 13TSW | 73 | 66.34 | 20 | 25 | 18 | W 2 | W 73 |
| KR-895013SW | 89.1 × 4.2 | 100 ~ 1000 | SGP80A | 6004zz | 20.0 | 29 × 20.2 × 63.5 · 29 × 20.2 × 15 | #50 × 13TSW | 73 | 66.34 | 20 | 25 | 18 | W | W 73 |

Type Rolgrootte Rollerwidth Roller merenaal Bearng...
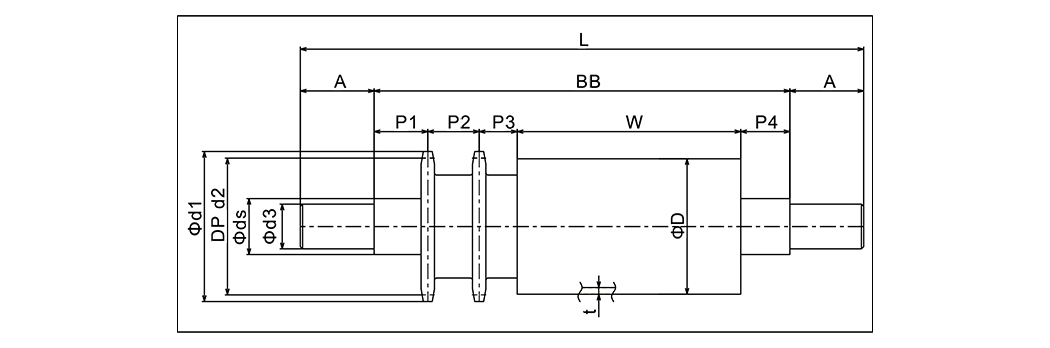
| Type | Rolgrootte | Rollerwidth | Roller merenaal | Bearng | Schachtdiameter | Tandwiel | D1 | D2 | D3 | A | L | BB | P1 | P2 | P3 | P4 |
| KPR-574015SW | 57.2 × 2.6 | 300 ~ 2000 | STKM | UCPA204 | 25xw 152 | #40 × 15TSW | 67 | 61.08 | 20 | 33 | W 152 | W 86 | 24 | 23 | 17 | 22 |
| KPR-604015SW | 60,5 × 3.8 | 300 ~ 2000 | STKM | UCPA204 | 25xw 152 | #40 × 15TSW | 67 | 61.08 | 20 | 33 | W 152 | W 86 | 24 | 23 | 17 | 22 |
| KPR-765013SW | 76.3 × 4.2 | 300 ~ 2000 | SGP65A | UCPA204 | 25xw 163 | #50 × 13TSW | 73 | 66.34 | 20 | 33 | W 163 | W 97 | 32 | 25 | 18 | 22 |
| KPR-895013SW | 89.1 × 4.2 | 300 ~ 2000 | SGP80A | UCPA206 | 35XW 169 | #50 × 13TSW | 73 | 66.34 | 30 | 39 | W 169 | W 91 | 29 | 25 | 18 | 19 |
| KPR-1015018SW | 101,6 × 4.5 | 300 ~ 2000 | SGP90A | UCPA206 | 35XW 169 | #50 × 18TSW | 98 | 91.42 | 30 | 39 | W 169 | W 91 | 29 | 25 | 18 | 19 |
| KPR-1145018SW | 114.3 × 4.5 | 300 ~ 2000 | SGP100A | UCPA206 | 35XW 169 | #50 × 18TSW | 98 | 91.42 | 30 | 39 | W 169 | W 91 | 29 | 25 | 18 | 19 |
| KPR-1405018SW | 139,8 × 4.5 | 300 ~ 2000 | SGP125A | UCPA206 | 35XW 169 | #50 × 18TSW | 98 | 91.42 | 30 | 39 | W 169 | W 91 | 29 | 25 | 18 | 19 |

Type Rolgrootte Rolbreedte Roller materiaal Handel...
| Type | Rolgrootte | Rolbreedte | Roller materiaal | Handelswijze | Schachtdiameter | Voeringmaat | Tandwiel | |||||
| MAC-CN384010S | 38.1 × 2.3 | 100 ~ 800 | STKM | 6001zz · 6201Z | 12.0 | 18 × 12.2 × 17 | #40 × 10ts | |||||
| MAC-CN424010S | 42.7 × 2.3 | 100 ~ 1000 | STKM | 6001zz · 6201Z | 12.0 | 18x12.2 × 17 | #40 × 10ts | |||||
| MAC-CN484010S | 48,6 × 3.5 | 100 ~ 1000 | SGP40A | 60012Z · 6201Z | 12.0 | 18 × 12.2 × 17 | #40 × 10ts | |||||
| MAC-CN504010S | 50,8 × 1.6 | 100 ~ 1000 | STKM | 6001zz · 6201Z | 12.0 | 18 × 12.2 × 17 | #40 × 10ts | |||||
| MAC-CN574010S | 57.1 × 2.1 | 100 ~ 1000 | STKM | 6001zz · 6201Z | 12.0 | 18 × 12.2 × 17 | #40 × 10ts | |||||
| MAC-CN604010S | 60,5 × 2.3 | 100 ~ 1000 | STKM | 6001zz · 6201Z | 12.0 | 18 × 12.2 × 17 | #40 × 10ts | |||||
| Type | Rolgrootte | Rolbreedte | Roller materiaal | Handelswijze | Schachtdiameter | Tandwiel | ||||||
| MAC-CS384010S | 38.1 × 2.3 | 100 ~ 800 | STKM | 6001zz · 6201Z | 12.0 | #40 × 10ts | ||||||
| MAC-CS424010S | 42.7 × 2.3 | 100 ~ 1000 | STKM | 6001zz · 6201Z | 12.0 | #40 × 10ts | ||||||
| MAC-CS484010S | 48,6 × 3.5 | 100 ~ 1000 | SGP40A | 6001zz · 6201Z | 12.0 | #40 × 10ts | ||||||
| MAC-CS504010S | 50,8 × 1.6 | 100 ~ 1000 | STKM | 6001zz · 6201Z | 12.0 | #40 × 10ts | ||||||
| MAC-CS574010S | 57.1 × 2.1 | 100 ~ 1000 | STKM | 6001zz · 6201Z | 12.0 | #40 × 10ts | ||||||
| MAC-CS604010S | 60,5 × 2.3 | 100 ~ 1000 | STKM | 6001zz · 6201Z | 12.0 | #40 × 10TS | ||||||

Type Rolgrootte Rolbreedte Roller materiaal Handel...
| Type | Rolgrootte | Rolbreedte | Roller materiaal | Handelswijze | Schachtdiameter | Voeringmaat | Tandwiel |
| MAC-CN384010SW | 38.1 × 2.3 | 100 ~ 800 | STKM | 6001Z · 6201Z | 12.0 | 18 × 12.2 × 17 | #40 × 10ts |
| MAC-CN424010SW | 42.7 × 2.3 | 100 ~ 1000 | STKM | 6001zz · 6201Z | 12.0 | 18 × 12.2 × 17 | #40 × 10ts |
| MAC-CN484010SW | 48,6 × 3.5 | 100 ~ 1000 | SGP40A | 6001zz · 6201Z | 12.0 | 18 × 12.2 × 17 | #40 × 10ts |
| MAC-CN504010SW | 50,8 × 1.6 | 100 ~ 1000 | STKM | 6001Z · 6201Z | 12.0 | 18 × 12.2 × 17 | #40 × 10ts |
| MAC-CN574010SW | 57.1 × 2.1 | 100 ~ 1000 | STKM | 6001zz · 6201Z | 12.0 | 18 × 12.2 × 17 | #40 × 10ts |
| MAC-CN604010SW | 60,5 × 2.3 | 100 ~ 1000 | STKM | 6001zz · 6201Z | 12.0 | 18 × 12.2 × 17 | #40 × 10TS |

Type Rolgrootte Rolbreedte Roller materiaal Handel...
| Type | Rolgrootte | Rolbreedte | Roller materiaal | Handelswijze | Schachtdiameter | Voeringmaat | Tandwiel | D1 | D2 |
| MAC-CN605010SW | 60,5 × 2.3 | 100 ~ 1000 | STKM | 6002Z7 · 61902Z | 15.0 | 20 × 15,2 × 16 | #50 × 10ts | 57.43 | 51.37 |
| MAC-CN765013SW | 76.3 × 2.0 | 100 ~ 1000 | STKM | 6204ZZ · 61904Z | 20.0 | 25 × 20.2 × 22 | #50 × 13TS | 73 | 66.34 |

R -centrum 1000 Totale lengte Rolbreedte B...
| R -centrum | 1000 | Totale lengte | Rolbreedte | Breed transportband | Smal pad | Grote diameter | Laden van roller | Gewicht van roller | |||
| Tandwiel | #40 × 10TSW | (∅) | Dikte | (∅) | Dikte | ||||||
| W rolbreedte | 200 ~ 600 | 258 | 200 | 260 | 51.5 | 3.0 | 62.5 | 2.6 | 1842 | 1236 | |
| Roller materiaal | STKM | 358 | 300 | 360 | 48.8 | 3.0 | 65.2 | 2.6 | 1215 | 1643 | |
| Boren | 6001zz · 6201Z | 458 | 400 | 460 | 46.0 | 3.1 | 68.0 | 2.6 | 911 | 2050 | |
| DB -asdiameter | 12.0 | 558 | 500 | 560 | 43.3 | 3.2 | 70.7 | 2.4 | 725 | 2456 | |
| DC × DC × LC/voeringgrootte | 18 × 12.2 × 53 · 18 × 12,2 × 7 | 658 | 600 | 660 | 41.3 | 3.3 | 74.0 | 2.3 | 597 | 2863 | |
| R -centrum | 1200 | Totale lengte | Rolbreedte | Breed transportband | Smal pad | Grote diameter | Laden van roller | Gewicht van roller | |||
| Tandwiel | #40 × 10TSW | (∅) | Dikte | (∅) | Dikte | ||||||
| W rolbreedte | 200 ~ 600 | 258 | 200 | 260 | 52.1 | 2.9 | 61.9 | 2.5 | 1842 | 1.132 | |
| Roller materiaal | STKM | 358 | 300 | 360 | 49.7 | 3.0 | 64.3 | 2.4 | 1215 | 1487 | |
| Boren | 6001zz · 6201Z | 458 | 400 | 460 | 47.3 | 3.1 | 65.7 | 2.4 | 911 | 1842 | |
| DB -asdiameter | 12.0 | 558 | 500 | 560 | 45.0 | 3.2 | 69.2 | 2.8 | 725 | 2197 | |
| DC × DC × LC/voeringgrootte | 18 × 12.2 × 53 · 18 × 12,2 × 7 | 658 | 600 | 660 | 45.0 | 3.2 | 74.0 | 2 | 597 | 2552 | |
| R -centrum | 1500 | Totale lengte | Rolbreedte | Breed transportband | Smal pad | Grote diameter | Laden van roller | Gewicht van roller | |||
| Tandwiel | #40 × 10TSW | (∅) | Dikte | (∅) | Dikte | ||||||
| W rolbreedte | 200 ~ 600 | 258 | 200 | 260 | 52.6 | 2.7 | 61.4 | 2.8 | 1842 | 1233 | |
| Roller materiaal | STKM | 358 | 300 | 360 | 50.4 | 2.9 | 63.6 | 2.7 | 1215 | 1645 | |
| Boren | 6001zz · 6201Z | 458 | 400 | 460 | 48.0 | 3.1 | 65.4 | 2.4 | 911 | 2046 | |
| DB -asdiameter | 12.0 | 558 | 500 | 560 | 48.0 | 3.4 | 69.8 | 2.4 | 725 | 2452 | |
| DC × DC × LC/voeringgrootte | 18 × 12.2 × 53 · 18 × 12,2 × 7 | 658 | 600 | 660 | 48.0 | 3.1 | 74.0 | 2.1 | 597 | 2.86 | |
| R -centrum | 2000 | Totale lengte | Rolbreedte | WDE van transportband | Smal pad | Grote diameter | Laden van roller | Gewicht van roller | |||
| Tandwiel | #40 × 10TSW | (∅) | Dikte | (∅) | Dikte | ||||||
| W rolbreedte | 400 ~ 800 | 458 | 400 | 460 | 50.0 | 3.0 | 62.5 | 2.3 | 911 | 1990 | |
| Roller materiaal | STKM | 558 | 500 | 560 | 50.0 | 3.0 | 65.6 | 2.2 | 725 | 2398 | |
| Boren | 6001zz · 6201Z | 658 | 600 | 660 | 50.0 | 3.0 | 68.8 | 2.2 | 597 | 2797 | |
| DB -asdiameter | 12.0 | 758 | 700 | 760 | 50.0 | 3.0 | 71.9 | 2.1 | 519 | 3210 | |
| DC × DC × LC/voeringgrootte | 18 × 12.2 × 53 · 18 × 12.2 × 7 | 858 | 800 | 860 | 50.0 | 3.0 | 75.0 | 2.0 | 450 | 3620 | |

R -centrum 500 Totale lengte Rolbreedte Br...
| R -centrum | 500 | Totale lengte | Rolbreedte | Breed transportband | Smal pad | Grote diameter | |
| Tandwiel | #40 × 10TSW | (∅) | (∅) | ||||
| W rolbreedte | 300 ~ 700 | 328 | 300 | 330 | 42.7 | 60 | |
| Roller materiaal | STKM | 428 | 400 | 430 | 42.7 | 65 | |
| Boren | 6001zz · 6201Z | 528 | 500 | 530 | 42.7 | 75 | |
| DB -asdiameter | 12.0 | 628 | 600 | 630 | 42.7 | 80 | |
| DC × DC × LC/voeringgrootte | 18 × 12,2 × 27 · 18 × 12,2 × 7 | 728 | 700 | 730 | 42.7 | 89 |
| R -centrum | 900 | Totale lengte | Rolbreedte | Breed transportband | Smal pad | Grote diameter | |
| Tandwiel | #40 × 10TSW | (∅) | (∅) | ||||
| W rolbreedte | 300 ~ 700 | 328 | 300 | 330 | 42.7 | 56 | |
| Roller materiaal | STKM | 428 | 400 | 430 | 42.7 | 60 | |
| Boren | 6001zz · 6201Z | 528 | 500 | 530 | 42.7 | 65 | |
| DB -asdiameter | 12.0 | 628 | 600 | 630 | 42.7 | 70 | |
| DC × DC × LC/voeringgrootte | 18 × 12,2 × 27 · 18 × 12,2 × 7 | 728 | 700 | 730 | 42.7 | 75 |
| R -centrum | 900 | Totale lengte | Rolbreedte | breed transportband | Smal pad | Grote diameter | |
| Tandwiel | #40 × 10TSW | (∅) | (∅) | ||||
| W rolbreedte | 800 ~ 1000 | 828 | 800 | 830 | 42.7 | 65 | |
| Roller materiaal | STKM | 928 | 900 | 930 | 42.7 | 70 | |
| Boren | 6001zz · 6201Z | 1028 | 1000 | 1030 | 42.7 | 75 | |
| DB -asdiameter | 12.0 | ||||||
| DC × DC × LC/voeringgrootte | 18 × 12.2 × 27 · 18 × 12.2 × 7 |

Type Rolgrootte Rolbreedte Roller materiaal Handel...
| Type | Rolgrootte | Rolbreedte | Roller materiaal | Handelswijze | Schachtdiameter | Polyvee -poelie |
| DQR-3812 | 38.1 × 12 | 100 ~ 1000 | STKM | 6001zz | 12.0 | Q235 |
| DQRS-3815 | 38.1 × 1.5 | 100 ~ 1000 | SUS304/201 | 6001zz | 12.0 | Q235/SUS |
| DQR-5015 | 50,8 × 1.5 | 100 ~ 1000 | STKM | 6002zz | 12.0 | Hars |
| DQRS-5015 | 50 × 1.5 | 100 ~ 1000 | SUS304/201 | 6002zz | 12.0 | Hars |
| DQR-5721 | 57.2 × 2.1 | 100 ~ 1000 | STKM | 6001zz | 12.0 | Q235 |
| DQR-6023 | 60,5 × 2.3 | 100 ~ 1000 | STKM | 6002zz | 12.0 | Q235 |
| DQRS-6020 | 60 × 2.0 | 100 ~ 1000 | SUS304/201 | 6002zz | 12.0 | Q235/SUS/RESIN |
| DQR-7620 | 76.3 × 2.0 | 100 ~ 1000 | STKM | 6001zz | 12.0 | Q235 |
| DQRS-7620 | 76 × 2.0 | 100 ~ 1000 | SUS304/201 | 6001zz | 12.0 | Q235/SUS |

Type Rolgrootte Rolbreedte Roller materiaal Handel...
| Type | Rolgrootte | Rolbreedte | Roller materiaal | Handelswijze | Schachtdiameter | Vnbbed pully |
| VR-3812 | 38.1 × 1.2 | 100 ~ 1000 | STKM | 6001zz | 12.0 | Q235 |
| VRS-3815 | 38 × 1.5 | 100 ~ 1000 | SUS304/201 | 6001zz | 12.0 | Q235/SUS |
| VR-5015 | 50,8 × 1.5 | 100 ~ 1000 | STKM | 6001zz | 12.0 | Q235 |
| VRS-5015 | 50 × 1.5 | 100 ~ 1000 | SUS304/201 | 6001zz | 12.0 | Q235/SUS |
| VR-5721 | 57.2 × 2.1 | 100 ~ 1000 | STKM | 6001zz | 12.0 | Q235 |
| VR-6023 | 60,5 × 2.3 | 100 ~ 1000 | STKM | 6001zz | 12.0 | Q235 |
| VRS-6020 | 60 × 2.0 | 100 ~ 1000 | SUS304/201 | 6001zz | 12.0 | Q235/SUS |
| VR-7620 | 76.3 × 2.0 | 100 ~ 1000 | STKM | 6001zz | 12.0 | Q235 |
| VRS-7620 | 76 × 2.0 | 100 ~ 1000 | SUS304/201 | 6001zz | 12.0 | Q235/SUS |

Type Rolgrootte Rolbreedte Roller materiaal Schach...
| Type | Rolgrootte | Rolbreedte | Roller materiaal | Schachtdiameter | Handelswijze |
| OR-3812 | 38.1 × 1.2 | 100 ~ 1000 | STKM | 12.0 | Ss |
| ORS-3815 | 38.1 × 1.5 | 100 ~ 1000 | SUS304/201 | 12.0 | Ss/SUS |
| OR-4214 | 42.7 × 1.4 | 100 ~ 1000 | STKM | 12.0 | Ss |
| OR-5015 | 50,8 × 1.5 | 100 ~ 1000 | STKM | 12.0 | Ss |
| ORS-5015 | 50 × 1.5 | 100 ~ 1000 | SUS304/201 | 12.0 | Ss/hars |
| OR-5721 | 57.2 × 2.1 | 100 ~ 1000 | STKM | 12.0 | SS |
| OR-6023 | 60,5 × 2.3 | 100 ~ 1000 | STKM | 12.0 | SS |
| ORS-6020 | 60 × 2.0 | 100 ~ 1000 | SUS304/201 | 12.0 | SS/Resin |
Waarom onderhoud van rollenbanen een directe invloed heeft op de levensduur van het systeem ...
Lees meerWat maakt een rollenbaan echt zwaar? Een heavy-duty rollenbaan wordt niet gedefinieerd door m...
Lees meerWat zijn rollenbanen en waarom is het type belangrijk? Rollenbanen zijn materiaalbeh...
Lees meerWaarom rollenbanen de ruggengraat van materiaaltransport blijven Rollenbanen verbete...
Lees meerProductvoordelen van Wuxi Huiqian Aangedreven rol : Hoge duurzaamheid en belastingdragende capaciteit
Wuxi Huiqian Logistics Machinery Manufacturing Co., Ltd, bekend om de integratie van geavanceerde Japanse logistieke technologie, staat voorop in de innovatie in de materiële handlingsector. Het bedrijf is gespecialiseerd in het produceren van een breed scala aan hoogwaardige logistieke apparatuur, inclusief aangedreven rol , roltransporteurs en verschillende andere kritieke componenten. Met een uitrusting van precisie, betrouwbaarheid en prestaties zijn de aangedreven rollen van Wuxi Huiqian ontworpen om te voldoen aan de diverse behoeften van industrieën die afhankelijk zijn van efficiënte en betrouwbare materiaalbehandelingssystemen.
Gedreven rollen spelen een cruciale rol in veel logistieke en productieprocessen. Of het nu gaat om het verplaatsen van grote, zware items of kleine pakketten, deze rollen zijn een integraal onderdeel van geautomatiseerde systemen die workflows stroomlijnen en de efficiëntie verhogen. De aangedreven rollers van Wuxi Huiqian, inclusief rollers met kuipaandrijving en taps toelopende aandrijfrollers, zijn ontworpen voor duurzaamheid en optimale prestaties in diverse operationele omgevingen. De combinatie van geavanceerde materialen, geavanceerde technologie en aanpasbare ontwerpen maken deze rollers een voorkeurskeuze voor industrieën over de hele wereld.
Wuxi Huiqian aangedreven rol is ontworpen om zware belastingen en continu gebruik in veeleisende omgevingen te weerstaan. De rollen worden geconstrueerd met behulp van materialen met hoge sterkte zoals staal en roestvrij staal, die zorgen voor langdurige prestaties, zelfs onder rigoureuze omstandigheden. De robuustheid van deze materialen garandeert dat de rollers verschillende belastingscapaciteiten kunnen verwerken, van lichte industriële componenten tot zware machines, zonder hun structurele integriteit in gevaar te brengen.
Vooral de tandwielaandrijvingen zijn gebouwd met duurzaam, hoogwaardig staal om ervoor te zorgen dat ze het koppel kunnen weerstaan dat nodig is om transportsystemen in veeleisende toepassingen aan te sturen. Evenzo vertonen de taps toelopende aandrijfrollen, ontworpen met een hoek om een soepele werking te vergemakkelijken, ook hoge sterkte en stabiliteit onder zware belastingomstandigheden. De geavanceerde materiaalselectie minimaliseert slijtage, waardoor het vermogen van de rollen om te presteren gedurende een langere levensduur verbetert.
Een van de belangrijkste voordelen van Wuxi Huiqian Driven Rollers is hun veelzijdigheid en aanpassingsvermogen om aan specifieke klantvereisten te voldoen. Met een sterk R & D -team aan het roer kan het bedrijf op maat gemaakte oplossingen ontwikkelen die aansluiten bij unieke operationele behoeften. Gedreven rollen kunnen worden aangepast in termen van grootte, materiaal en functionaliteit voor een breed scala aan toepassingen. Of het nu gaat om het aanpassen van de roldiameter, lengte of het toevoegen van gespecialiseerde coatings, Wuxi Huiqian werkt nauw samen met klanten om ervoor te zorgen dat het product overeenkomt met de exacte specificaties.
De mogelijkheid om oplossingen op maat te bieden, maakt deze aangedreven rollen ideaal voor verschillende industrieën, waaronder productie van autofabrikanten, productie van voedsel en dranken, opslag, logistiek en e-commerce. De rollen kunnen worden aangepast om te passen bij verschillende soorten transportsystemen en productielijnen, waardoor ze een veelzijdige component zijn in elke werking van materiaalbehandeling.
Wuxi Huiqian staat bekend om zijn hoge normen voor precisie -engineering, wat cruciaal is om de betrouwbare prestaties van gedreven rollen te waarborgen. Het bedrijf maakt gebruik van geavanceerde CNC -machines (Computer Numerical Control) om zijn aangedreven rollen met uitzonderlijke nauwkeurigheid te produceren. Deze precisie garandeert dat de rollen worden geproduceerd volgens de exacte specificaties die nodig zijn voor elke unieke toepassing, waardoor de kansen op storing of inefficiëntie worden geminimaliseerd.
Het gebruik van CNC -machines zorgt er ook voor dat de rollen consistent in grote volumes worden vervaardigd, waardoor het mogelijk is om hoge productienormen te handhaven en het risico op defecten te verminderen. De precisie strekt zich ook uit tot het ontwerp van tandwielen en taps toelopende functies, zodat deze kritieke componenten soepel en naadloos presteren in de uiteindelijke montage.
Wuxi Huiqian aangedreven rollen zijn ontworpen om een hoge operationele efficiëntie te bieden en tegelijkertijd minimaal onderhoud te vereisen. De rollen zijn ontworpen om wrijving en slijtage te verminderen, wat de frequentie van onderhoudstaken vermindert en de levensduur van de apparatuur verlengt. Deze functie is vooral belangrijk in industrieën waar continue werking vereist is en downtime moet worden geminimaliseerd.
De tandwielrollen zijn ontworpen met in elkaar grijpende tanden die slippen verminderen en de overdracht van stroom verbeteren, zodat het transportsysteem efficiënt werkt, zelfs onder hoge belastingomstandigheden. Evenzo zijn de taps toelopende aandrijfrollen ontworpen om het risico op schade aan de transportband of omliggende componenten te minimaliseren, waardoor de algehele betrouwbaarheid van het systeem wordt verbeterd.
Het onderhoudsarme ontwerp van de aangedreven rollen van Wuxi Huiqian verlaagt de operationele kosten door onderhoudsbehoeften en het potentieel voor onverwachte downtime te verlagen. Bovendien biedt het bedrijf een uitgebreid after-sales servicesysteem, zodat alle problemen onmiddellijk worden aangepakt en dat klanten de soepele werking van hun apparatuur kunnen handhaven.
Gedreven rollen van Wuxi Huiqian zijn ontworpen om energiezuinig te zijn, wat cruciaal is voor het verlagen van de bedrijfskosten van materiaalbehandelingssystemen. De rollen zijn ontworpen om het energieverbruik te minimaliseren met behoud van de stroom die nodig is om de transportsystemen aan te sturen. Deze focus op energie -efficiëntie vertaalt zich in lagere elektriciteitsrekeningen voor bedrijven, wat bijdraagt aan totale kostenbesparingen en duurzaamheid van het milieu.
In een tijdperk waarin bedrijven zich steeds meer zorgen maken over hun milieu-impact, zorgt het energiezuinige ontwerp van Wuxi Huiqian's aangedreven rollers ervoor dat bedrijven duurzaam kunnen werken zonder prestaties of betrouwbaarheid op te offeren.
Trappalsaandrijfrollen zijn een van de meest gebruikte soorten aangedreven rollen in transportsystemen. Deze rollen zijn ontworpen om te worden aangedreven door een ketting en zijn uitgerust met tandwielen die met de ketting in elkaar grijpen, waardoor een soepele en betrouwbare werking wordt gewaarborgd. Het materiaal dat wordt gebruikt voor tandwielrollen is meestal van hoge kwaliteit stalen of roestvrij staal, gekozen vanwege zijn sterkte, duurzaamheid en het vermogen om het koppel te verwerken dat wordt gegenereerd door de kettingaandrijving.
De tandwielrollen van Wuxi Huiqian zijn ontworpen met precieze toleranties om ervoor te zorgen dat de tandwielen perfect passen bij de ketting, het minimaliseren van slippen en het maximaliseren van de stroomtransmissie. De rollen worden ook behandeld om slijtage en corrosie te weerstaan, hun levensduur te verbeteren en onderhoudsbehoeften te verminderen. Het gebruik van materialen met hoge sterkte zorgt ervoor dat deze rollen zware belastingen kunnen verwerken, waardoor ze geschikt zijn voor industriële toepassingen in productie, verpakking en distributie.
Taps toelopende aandrijfrollers hebben een kegelvormig ontwerp dat een soepele en efficiënte beweging van materialen op een transportsysteem mogelijk maakt. De taper zorgt ervoor dat de materialen soepel langs de transportband worden geleid, waardoor wrijving wordt verminderd en de algehele efficiëntie van het systeem wordt verbeterd. Het materiaal dat wordt gebruikt voor taps toelopende aandrijfrollen is typisch roestvrij staal of hoogwaardig legeringsstaal, dat uitstekende weerstand biedt tegen slijtage en corrosie, waardoor het geschikt is voor een verscheidenheid aan omgevingen, waaronder voedselverwerking, farmaceutische producten en zwaar industrieel gebruik.
Het taps toelopende ontwerp draagt ook bij aan het vermogen van de rol om verschillende maten en gewichten van materialen aan te kunnen, waardoor deze rollen sterk aanpasbaar zijn aan een reeks toepassingen. De taps toelopende aandrijfrollen van Wuxi Huiqian worden geproduceerd met precisie om ervoor te zorgen dat de taps toelopende hoek consistent is over alle rollen, waardoor een uniforme prestatie wordt geboden in het gehele transportsysteem.
Het gebruik van roestvrij staal en legeringsstaal bij de constructie van aangedreven rollen zorgt voor hun duurzaamheid in harde of corrosieve omgevingen. Deze materialen zijn zeer resistent tegen roest, corrosie en slijtage, waardoor ze ideaal zijn voor industrieën waar de rollen worden blootgesteld aan vocht, chemicaliën of andere milieu -uitdagingen. De voedsel- en drankenindustrie, waar hygiëne een prioriteit is, profiteert bijvoorbeeld van de corrosiebestendige eigenschappen van roestvrijstalen aangedreven rollen.
De corrosiebestendige eigenschappen van de materialen helpen ook de integriteit van het transportsysteem in de loop van de tijd te behouden, waardoor kostbare reparaties worden voorkomen en consistente prestaties zorgen.
Wuxi Huiqian Logistics Machinery Manufacturing Co., Ltd's aangedreven rollen, waaronder Sprocket Drive en Tapered Drive -modellen, bieden aanzienlijke voordelen op het gebied van duurzaamheid, aanpassing, precisie -engineering en efficiëntie. Door gebruik te maken van materialen van hoge kwaliteit zoals staal en roestvrij staal, bieden deze rollen langdurige, onderhoudsarme oplossingen voor industrieën, variërend van automotive productie tot logistiek en voedselverwerking. Hun vermogen om zware belastingen aan te gaan, het energieverbruik te verminderen en soepel te werken in veeleisende omgevingen, maakt ze een betrouwbare keuze voor elk bedrijf dat zijn materiaalbehandelingssystemen wil optimaliseren.
Vakmanschap naar de toekomst brengen.
No.60, Zhenhu North Road, Hudai Town, Binhu District, Wuxi 214100, China







