HR-TC220
Cat:Taps roller transportband
Breedte W (mm) 200 A (φ) Diameter 31.3 ...
Geavanceerde structuur, hoogwaardige prestaties, gemakkelijk te gebruiken, hoge betrouwbaarheid en duurzaamheid.
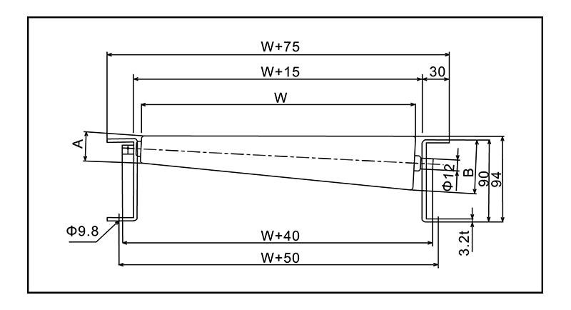
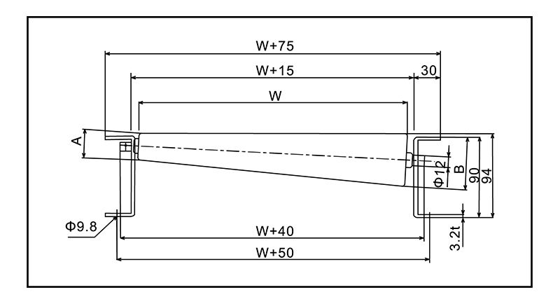
Ook bekend als de Curve Roller Transportant, maakt de Taper Roller Transportant mogelijk om hoeken te draaien van 30, 45, 60, 90 en 180 graden. Het wordt voornamelijk gebruikt voor richtingveranderingen in transportlijnen, met 30, 45 en 60 graden die vaak worden gebruikt voor vertakkings- en fuserende transportbanden. Deze transportband is een lichtgewicht type met een laadvermogen over het algemeen niet meer dan 200 kg.
| R | Type \ width | 200 | 300 | 400 | 500 | 600 | 700 | 800 | 900 | 1000 | 1100 | 1200 | Roller pitch |
| 220 | HR-TC220 | ○ | - | - | - | - | - | - | - | - | - | - | 50,75,100 |
| 320 | HR-TC320 | - | ○ | - | - | - | - | - | - | - | - | - | 50,75,100 |
| 500 | HR-TC500A | - | ○ | ○ | ○ | ○ | ○ | - | - | - | - | - | 75 |
| 700 | HR-TC700 | ○ | ○ | ○ | ○ | ○ | - | - | - | - | - | - | 75,100,150 |
| 900 | HR-TCN | - | ○ | ○ | ○ | ○ | ○ | ○ | - | - | - | - | 75,100,150 |
| HR-TC900 | ○ | ○ | ○ | ○ | ○ | - | - | - | - | - | - | 75,100,150 | |
| HR-TC900A | - | ○ | ○ | ○ | ○ | ○ | ○ | - | - | - | - | 75,100 | |
| HR-TCL | - | - | - | - | - | - | - | ○ | ○ | ○ | ○ | 75,100,150.200 | |
| 1200 | HR-TC1200 | ○ | ○ | ○ | ○ | ○ | - | - | - | - | - | - | 75,100,150 |
| HR-TC1200A | - | - | - | - | - | - | ○ | ○ | ○ | ○ | ○ | 75.100 | |
| 1600 | HR-TC1600 | - | - | ○ | ○ | ○ | ○ | ○ | - | - | - | - | 75.100,150.200 |

Breedte W (mm) 200 A (φ) Diameter 31.3 ...
| Breedte W (mm) | 200 | |
| A (φ) | Diameter | 31.3 |
| Dikte | 3.5 | |
| B (φ) | Diameter | 60.5 |
| Dikte | 2.0 | |
| Laden van roller (kg) | 100 | |

Breedte W (mm) 300 A (φ) Diameter 31.2 ...
| Breedte W (mm) | 300 | |
| A (φ) | Diameter | 31.2 |
| Dikte | 3.6 | |
| B (φ) | Diameter | 60.5 |
| Dikte | 2.1 | |
| Laden van roller (kg) | 100 | |

Breedte W (mm) 300 400 500 600 700 ...
| Breedte W (mm) | 300 | 400 | 500 | 600 | 700 | 800 | |
| A (φ) | Diameter | 42.7 | 42.7 | 42.7 | 42.7 | 42.7 | 42.7 |
| Dikte | 3.2 | 3.2 | 3.1 | 3.1 | 3.1 | 3.1 | |
| B (φ) | Diameter | 56.8 | 61.3 | 66.4 | 71.3 | 76.2 | 80.0 |
| Dikte | 2.1 | 2.1 | 2.1 | 2.1 | 2.0 | 2.0 | |
| Laden van roller (kg) | 100 | 90 | 85 | 76 | 59 | 54 | |

Breedte W (mm) 900 1000 1100 1200 ...
| Breedte W (mm) | 900 | 1000 | 1100 | 1200 | |
| A (φ) | Diameter | 42.7 | 42.7 | 42.7 | 42.7 |
| Dikte | 3.5 | 3.8 | 4.5 | 4.5 | |
| B (φ) | Diameter | 86.7 | 91.0 | 95.3 | 100.0 |
| Dikte | 2.0 | 1.8 | 2.0 | 1.8 | |
| Laden van roller (kg) | 110 | 95 | 87 | 80 | |

Breedte W (mm) 200 300 400 500 600 ...
| Breedte W (mm) | 200 | 300 | 400 | 500 | 600 | |
| A (φ) | Diameter | 41.3 | 41.3 | 41.3 | 41.3 | 41.3 |
| Dikte | 3.3 | 3.3 | 3.3 | 3.3 | 3.3 | |
| B (φ) | Diameter | 52.2 | 57.6 | 63.1 | 68.6 | 74.0 |
| Dikte | 2.5 | 2.4 | 2.4 | 2.3 | 2.3 | |

Breedte W (mm) 200 300 400 500 600 ...
| Breedte W (mm) | 200 | 300 | 400 | 500 | 600 | |
| A (φ) | Diameter | 45.0 | 45.0 | 45.0 | 45.0 | 45.0 |
| Dikte | 3.2 | 3.2 | 3.2 | 3.2 | 3.2 | |
| B (φ) | Diameter | 54.9 | 59.9 | 64.9 | 69.8 | 74.8 |
| Dikte | 2.2 | 2.2 | 2.1 | 2.1 | 2.0 | |

Breedte W (mm) 200 300 400 500 600 ...
| Breedte W (mm) | 200 | 300 | 400 | 500 | 600 | |
| A (φ) | Diameter | 48.0 | 48.0 | 48.0 | 48.0 | 48.0 |
| Dikte | 3.1 | 3.1 | 3.1 | 3.1 | 3.1 | |
| B (φ) | Diameter | 56.8 | 61.2 | 65.7 | 70.1 | 74.5 |
| Dikte | 2.3 | 2.3 | 2.2 | 2.2 | 2.1 | |

Breedte W (mm) 400 500 600 700 800 ...
| Breedte W (mm) | 400 | 500 | 600 | 700 | 800 | |
| A (φ) | Diameter | 50.0 | 50.0 | 50.0 | 50.0 | 50.0 |
| Dikte | 3.0 | 3.0 | 3.0 | 3.0 | 3.0 | |
| B (φ) | Diameter | 63.0 | 66.3 | 69.5 | 72.8 | 76.0 |
| Dikte | 2.3 | 2.2 | 2.2 | 2.1 | 2.0 | |

Breedte W (mm) 300 400 500 600 700 ...
| Breedte W (mm) | 300 | 400 | 500 | 600 | 700 | 800 | |
| A (φ) | Diameter | 42 | 42 | 42 | 42 | 42 | 42 |
| Dikte | 2 | 2 | 2 | 2 | 2 | 2 | |
| B (φ) | Diameter | 79 | 91 | 103 | 116 | 128 | 140 |
| Dikte | 20.5 | 26.5 | 32.5 | 39.0 | 45.0 | 51.0 | |

Breedte W (mm) 200 300 400 500 600 ...
| Breedte W (mm) | 200 | 300 | 400 | 500 | 600 | 700 | |
| A (φ) | Diameter | 44.7 | 44.7 | 44.7 | 44.7 | 44.7 | 44.7 |
| Dikte | 3.5 | 3.5 | 3.5 | 3.5 | 3.5 | 3.5 | |
| B (φ) | Diameter | 54.6 | 59.6 | 64.5 | 69.5 | 74.4 | 75 |
| Dikte | 2.4 | 2.3 | 2.3 | 2.2 | 2.2 | 2.2 | |

Type Markering Stijfheid Hittebestendigheid Koude ...
| Type | Markering | Stijfheid | Hittebestendigheid | Koude weerstand | Olieweerstand | Draag weerstand | |||
| Natuurlijk rubber | NR | Ongeveer 60 | 120c | -50 ° ℃ | X | O | |||
| Ding nitrilrubber | NBR | Ongeveer 60 | 130c ° | -10 ° C | O | O | |||
| Polyurethaanrubber | PU | Ongeveer 90 | 80c ° | -30 ° C | O | O | |||
| Natuurlijk rubber | Ding nitrilrubber | Rol | Diameter*dikte*asdiameter | Rolbreedte | |||||
| RR-4812P | RRG-4812P | R-3812P | 48*5*12 | 100 ~ 1500 | |||||
| RR-4816 | RRG-4816 | R-3816 | 48*5*12 | 100 ~ 1500 | |||||
| RR-6721P | RRG-6721P | R-5721P | 67*5*12 | 100 ~ 1500 | |||||

Platingtypen Voordelen Platdikte Elektrisch gegalvanisee...
| Platingtypen | Voordelen | Platdikte |
| Elektrisch gegalvaniseerd | Wit zink, blauwwit zink, drievoudige chroom | Meer dan 5 micron |
| Hard chrome plating | Hoge hardheid | Meer dan 3 micron |
Waarom onderhoud van rollenbanen een directe invloed heeft op de levensduur van het systeem ...
Lees meerWat maakt een rollenbaan echt zwaar? Een heavy-duty rollenbaan wordt niet gedefinieerd door m...
Lees meerWat zijn rollenbanen en waarom is het type belangrijk? Rollenbanen zijn materiaalbeh...
Lees meerWaarom rollenbanen de ruggengraat van materiaaltransport blijven Rollenbanen verbete...
Lees meerVakmanschap naar de toekomst brengen.
No.60, Zhenhu North Road, Hudai Town, Binhu District, Wuxi 214100, China







